http://www.bevattningsteknik.se/logotyper/bill_logo_10.png
Patric Torle
info@tradgardsteknik.se
0431-222 90
0431-222 70
Bevattningsteknik - marknadsledande leverantör av bevattningsutrustning, Pumpar, Fontäner.
Helsingborgsvägen 578
ÄNGELHOLM
262 96
SWEDEN

Centrifugflerstegspumpar horisontella Caprari - PM  




Centrifugflerstegspumpar horisontella Caprari - PM
Radialflerstegspumpar
för höga tryck. Tillverkad av särskild nodulär, teknik gjutjärn för högre tryck (100 bar) och brons. Dubbel stöd med stora och medelstora lager och hydraultryck balansanordning. Finns i versioner med justerbar förpackning eller mekanisk tätning. De säkerställer hög prestanda och maximal hydraulisk verkningsgrad. De viktigaste tillämpningssektorer är: vattenförsörjning, brandbekämpning, snö gör system, bevattning och industriella applikationer i allmänhet.

 


Kapacitet 160 l/s
Huvud 1000 m
Ström 700 kW

 PM Parts

PM parts2

pos Delar Material
1 Leverans hölje Gjutjärn
2 Lagerstöd Gjutjärn
3 Pumphjul Gjutjärn
5 Sugkåpa Gjutjärn
6 Pumpaxeln Rostfritt stål
7 Stoppnings box Nodulärt gjutjärn
8 Lager fläns Gjutjärn
10 Diffuser Gjutjärn
13 Hölje Gjutjärn
14 Impeller slitring Gjutjärn
15 Dragkraft ring Gjutjärn
17 Tie stång Behandlat stål
18 Axelhylsan Rostfritt stål
30 V tätningsring Gummi
32 Bearing Rostfritt stål
43 OR tätningsring Gummi
56 Förpackning Grafite sladd
72 Fläns för mekanisk tätning -
79 Mekanisk tätning -

 

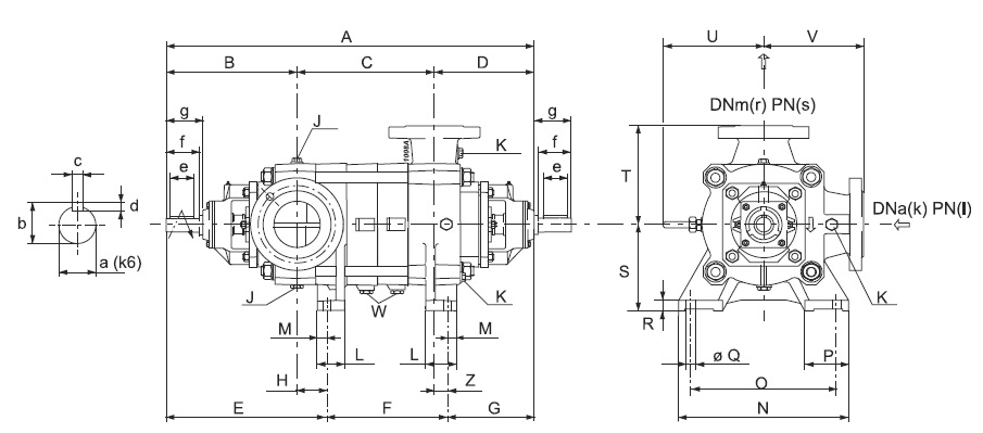
Utvändiga mått och vikter

PM80

Typ A B C D E F G H S T U V Z Vikt
PM(S)80/2 805 360 171 274 422 138 245 61,5 200 245 258 245 29 179
PM(S)80/3 875 360 241 274 422 208 245 61,5 200 245 258 245 29 200
PM(S)80/4 945 360 311 274 422 278 245 61,5 200 245 258 245 29 221
PM(S/H)80/5 1015 360 381 274 422 248 245 61,5 200 245 258 245 29 242
PM(S/H)80/6 1085 360 451 274 422 418 245 61,5 200 245 258 245 29 263
PM(S/H)80/7 1155 360 521 274 422 488 245 61,5 200 245 258 245 29 284
PM(S/H)80/8 1225 360 591 274 422 558 245 61,5 200 245 258 245 29 305
PM(S/H)80/9 1295 360 661 274 422 628 245 61,5 200 245 258 245 29 326
PM(S/H)80/10 1365 360 731 274 422 698 245 61,5 200 245 258 245 29 347
PM(S/H)80/11 1435 360 801 274 422 768 245 61,5 200 245 258 245 29 368
PM(S/H)80/12 1505 360 871 274 422 838 245 61,5 200 245 258 245 29 389
PM(S/H)80/13 1575 360 941 274 422 908 245 61,5 200 245 258 245 29 410
PM(S/H)80/14 1645 360 1011 274 422 978 245 61,5 200 245 258 245 29 431
PM(S/H)80/15 1715 360 1081 274 422 1048 245 61,5 200 245 258 245 29 452
PM(S/H)80/16 1785 360 1151 274 422 1118 245 61,5 200 245 258 245 29 473

 

Foot Dimensions
L M N O P Q R
[mm]
70 25 420 370 102 24 25

 

Axel Projektion
a b c d e f g
[mm]
35 38 10 8 70 90 104

 

Flänsar
Typ (k)
DNa
(l)
PN
(r)
DNm
(s)
PN
[mm] [bar] [mm] [bar]
PM 100 25 80 40
PMS 100 25 80 64
PMH 100 40 80 100

Pluggar
J K W
G 1/2 G 1/2 G 1/4


 

 

PM 50

PM 65

PM 80

PM 100

PML125

PM125

PML 150

PM 150

För mer information kontakta oss på
0431-222 90


BEVATTNINGSTEKNIK AB
Helsingborgsv., Varalöv
262 96 ÄNGELHOLM
Telefon:
0431-222 50
Org Nr:
556409-6120
Webbadress:
www.bevattningsteknik.se
E-post:
info@bevattningsteknik.se