http://www.bevattningsteknik.se/logotyper/bill_logo_10.png
Patric Torle
info@tradgardsteknik.se
0431-222 90
0431-222 70
Bevattningsteknik - marknadsledande leverantör av bevattningsutrustning, Pumpar, Fontäner.
Helsingborgsvägen 578
ÄNGELHOLM
262 96
SWEDEN

Pumpar vertikal flerstegs med elmotor CVX031 serie  




Pumpar vertikal flerstegs med elmotor CVX031 serie

 

Elektrisk pumptyp  
Motoreffekt  
Enfas Tre fas [kw] [CV]
CVX031/5+E0037M211-V CVX031/5+E0037T211-V 0,37 0,5
CVX031/7+E0055M211-V CVX031/7+E0055T211-V 0,55 0,75
CVX031/10+E0075M211-V CVX031/10+E0075T212-V 0,75 1
CVX031/15+E0110M211-V CVX031/15+E0110T212-V 1,1 1,5
CVX031/19+E0150M211-V CVX031/19+E0150T212-V 1,5 2
CVX031/23+E0220M211-V CVX031/23+E0220T212-V 2,2 3
CVX031/29+E0220M211-V CVX031/29+E0220T212-V 2,2 3
CVX031/33+E0300T211-V CVX031/33+E0300T212-V 3 4
CVX031/36+E0300T211-V CVX031/36+E0300T212-V 3 4


CVX031 PARTS

cvx parts

Typ A B C D E F H J K L O P R h q u
CVX031/5+E0037T211-V 318 250 210 100 14 180 75 25/32 25 150 25/32 4 25 217 145 80
CVX031/7+E0055T211-V 354 250 210 100 14 180 75 25/32 25 150 25/32 4 25 217 145 80
CVX031/10+E0075T212-V 414 250 210 100 14 180 75 25/32 25 150 25/32 4 25 260 165 145
CVX031/15+E0110T212-V 504 250 210 100 14 180 75 25/32 25 150 25/32 4 25 260 165 160
CVX031/19+E0150T212-V 592 250 210 100 14 180 75 25/32 25 150 25/32 4 25 300 195 160
CVX031/23+E0220T212-V 664 250 210 100 14 180 75 25/32 25 150 25/32 4 25 330 195 160
CVX031/29+E0220T212-V 772 250 210 100 14 180 75 25/32 25 150 25/32 4 25 330 195 160
CVX031/33+E0300T212-V 848 250 210 100 14 180 75 25/32 25 150 25/32 4 25 370 215 172
CVX031/36+E0300T212-V 902 250 210 100 14 180 75 25/32 25 150 25/32 4 25 370 215 172
CVX031/5+E0037M211-V 318 250 210 100 14 180 75 25/32 25 150 25/32 4 25 217 138 98
CVX031/7+E0055M211-V 354 250 210 100 14 180 75 25/32 25 150 25/32 4 25 217 138 98
CVX031/10+E0075M211-V 414 250 210 100 14 180 75 25/32 25 150 25/32 4 25 246 146 108
CVX031/15+E0110M211-V 504 250 210 100 14 180 75 25/32 25 150 25/32 4 25 246 156 108
CVX031/19+E0150M211-V 592 250 210 100 14 180 75 25/32 25 150 25/32 4 25 260 174 130
CVX031/23+E0220M211-V 664 250 210 100 14 180 75 25/32 25 150 25/32 4 25 270 174 130
CVX031/29+E0220M211-V 772 250 210 100 14 180 75 25/32 25 150 25/32 4 25 270 174 130

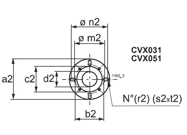
CVX031PARTS

Typ a2 b2 c2 d2 e2 f2 m2 n2 r2 s2 t2 Vikt
CVX031/5+E0037T211-V 140 85 58 32 4 14 89 105 4 19 27 20
CVX031/7+E0055T211-V 140 85 58 32 4 14 89 105 4 19 27 21
CVX031/10+E0075T212-V 140 85 58 32 4 14 89 105 4 19 27 28
CVX031/15+E0110T212-V 140 85 58 32 4 14 89 105 4 19 27 33
CVX031/19+E0150T212-V 140 85 58 32 4 14 89 105 4 19 27 42,3
CVX031/23+E0220T212-V 140 85 58 32 4 14 89 105 4 19 27 46,3
CVX031/29+E0220T212-V 140 85 58 32 4 14 89 105 4 19 27 48,6
CVX031/33+E0300T212-V 140 85 58 32 4 14 89 105 4 19 27 57,5
CVX031/36+E0300T212-V 140 85 58 32 4 14 89 105 4 19 27 58,7
CVX031/5+E0037M211-V 140 85 58 32 4 14 89 105 4 19 27 20
CVX031/7+E0055M211-V 140 85 58 32 4 14 89 105 4 19 27 21
CVX031/10+E0075M211-V 140 85 58 32 4 14 89 105 4 19 27 25
CVX031/15+E0110M211-V 140 85 58 32 4 14 89 105 4 19 27 29
CVX031/19+E0150M211-V 140 85 58 32 4 14 89 105 4 19 27 38,8
CVX031/23+E0220M211-V 140 85 58 32 4 14 89 105 4 19 27 42,3
CVX031/29+E0220M211-V 140 85 58 32 4 14 89 105 4 19 27 44,6

 

Elektrisk pumptyp   Kapacitet
[I/s] 0 0,2 0,4 0,6 0,8 1 1,2
[m³/t] 0 0,7 1,4 2,2 2,9 3,6 4,3
[I/s] 0 12 24 36 48 60 72
Enfas Tre fas Totalt manometrisk huvud
CVX031/5+E0037M211-V CVX031/5+E0037T211-V [m] 32,5 30,5 29 26,5 23,5 19 12
CVX031/7+E0055M211-V CVX031/7+E0055T211-V [m] 45,5 43,5 41 37,5 33,5 27,5 18
CVX031/10+E0075M211-V CVX031/10+E0075T212-V [m] 64 61 58 54 47 38,5 25
CVX031/15+E0110M211-V CVX031/15+E0110T212-V [m] 96 92 88 81 71 58 37,5
CVX031/19+E0150M211-V CVX031/19+E0150T212-V [m] 122 116 110 102 89 72 46,5
CVX031/23+E0220M211-V CVX031/23+E0220T212-V [m] 150 144 139 129 115 95 66
CVX031/29+E0220M211-V CVX031/29+E0220T212-V [m] 188 181 173 160 142 116 79
CVX031/33+E0300T211-V CVX031/33+E0300T212-V [m] 217 209 200 186 166 139 97
CVX031/36+E0300T211-V CVX031/36+E0300T212-V [m] 237 227 217 202 181 149 105
NPSH [m] 0,8 1 1,1 1,3 1,6 2,5
M.E.I. ≥ 0,40

CVX031

Pump vertikal Caprari -serien- CVX031-Enfas

  • Pump vertikal flerstegs med elmotor CVX031/5, 0,37kW 4,3m³/h 32,5m 230V 50Hz
    Art. nr.
    CAP99532
    Pump vertikal flerstegs med elmotor CVX031/5, 0,37kW 4,3m³/h 32,5m 230V 50Hz
  • Pump vertikal flerstegs med elmotor CVX031/7, 0,55kW 4,3m³/h 45,5m 230V 50Hz
    Art. nr.
    CAP99533
    Pump vertikal flerstegs med elmotor CVX031/7, 0,55kW 4,3m³/h 45,5m 230V 50Hz
  • Pump vertikal flerstegs med elmotor CVX031/10, 0,75kW 4,3m³/h 64m 50Hz
    Art. nr.
    CAP99534
    Pump vertikal flerstegs med elmotor CVX031/10, 0,75kW 4,3m³/h 64m 50Hz
  • Pump vertikal flerstegs med elmotor CVX031/15, 1,1kW 4,3m³/h 96m 230V 50Hz
    Art. nr.
    CAP99535
    Pump vertikal flerstegs med elmotor CVX031/15, 1,1kW 4,3m³/h 96m 230V 50Hz
  • Pump vertikal flerstegs med elmotor CVX031/19, 1,5kW 4,3m³/h 122m 230V 50Hz
    Art. nr.
    CAP99536
    Pump vertikal flerstegs med elmotor CVX031/19, 1,5kW 4,3m³/h 122m 230V 50Hz
  • Pump vertikal flerstegs med elmotor CVX031/23, 2,2kW 4,3m³/h 150m 230V 50Hz
    Art. nr.
    CAP99537
    Pump vertikal flerstegs med elmotor CVX031/23, 2,2kW 4,3m³/h 150m 230V 50Hz
  • Pump vertikal flerstegs med elmotor CVX031/29, 2,2kW 4,3m³/h 188m 230V 50Hz
    Art. nr.
    CAPCVX03129
    Pump vertikal flerstegs med elmotor CVX031/29, 2,2kW 4,3m³/h 188m 230V 50Hz

Pump vertikal Caprari -serien- CVX031-tre-fas

  • Pump vertikal flerstegs med elmotor CVX031/5, 0,37kW 4,3m³/h 32,5m 400V 50Hz
    Art. nr.
    CAP99539
    Pump vertikal flerstegs med elmotor CVX031/5, 0,37kW 4,3m³/h 32,5m 400V 50Hz
  • Pump vertikal flerstegs med elmotor CVX031/7, 0,55kW 4,3m³/h 45,5m 400V 50Hz
    Art. nr.
    CAP99540
    Pump vertikal flerstegs med elmotor CVX031/7, 0,55kW 4,3m³/h 45,5m 400V 50Hz
  • Pump vertikal flerstegs med elmotor CVX031/10, 0,75kW 4,3m³/h 64m 400V 50Hz
    Art. nr.
    CAP99541
    Pump vertikal flerstegs med elmotor CVX031/10, 0,75kW 4,3m³/h 64m 400V 50Hz
  • Pump vertikal flerstegs med elmotor CVX031/15, 1,1kW 4,3m³/h 96m 400V 50Hz
    Art. nr.
    CAP99542
    Pump vertikal flerstegs med elmotor CVX031/15, 1,1kW 4,3m³/h 96m 400V 50Hz
  • Pump vertikal flerstegs med elmotor CVX031/19, 1,5kW 4,3m³/h 122m 400V 50Hz
    Art. nr.
    CAP99543
    Pump vertikal flerstegs med elmotor CVX031/19, 1,5kW 4,3m³/h 122m 400V 50Hz
  • Pump vertikal flerstegs med elmotor CVX031/23, 2,2kW 4,3m³/h 150m 400V 50Hz
    Art. nr.
    CAP99544
    Pump vertikal flerstegs med elmotor CVX031/23, 2,2kW 4,3m³/h 150m 400V 50Hz
  • Pump vertikal flerstegs med elmotor CVX031/29, 2,2kW 4,3m³/h 188m 400V 50Hz
    Art. nr.
    CAP99545
    Pump vertikal flerstegs med elmotor CVX031/29, 2,2kW 4,3m³/h 188m 400V 50Hz
  • Pump vertikal flerstegs med elmotor CVX031/33, 3kW 4,3m³/h 217m 230V 50Hz
    Art. nr.
    CAP99546
    Pump vertikal flerstegs med elmotor CVX031/33, 3kW 4,3m³/h 217m 230V 50Hz
  • Pump vertikal flerstegs med elmotor CVX031/36, 3kW 4,3m³/h 237m 400V 50Hz
    Art. nr.
    CAP99547
    Pump vertikal flerstegs med elmotor CVX031/36, 3kW 4,3m³/h 237m 400V 50Hz
För mer information kontakta oss på
0431-222 90


BEVATTNINGSTEKNIK AB
Helsingborgsv., Varalöv
262 96 ÄNGELHOLM
Telefon:
0431-222 50
Org Nr:
556409-6120
Webbadress:
www.bevattningsteknik.se
E-post:
info@bevattningsteknik.se